Este dispositivo es un reemplazo electrónico de árboles de levas mecánicos. Su incorporación simplifica las tareas de mantenimiento y proporciona la posibilidad de cambios de configuración en la estructura de levas rápidos y sin complejidad.
Está compuesto por un encoder magnético giratorio de alta resolución (0.35º o 1024PPR) y tecnología sin contacto que permite determinar la posición absoluta del eje evitando desgastes. Cuenta con una entrada de alimentación de 24VDC y 8 salidas tipo open collector NPN, de hasta 500mA cada una, que entregan el perfil de leva configurado por el usuario.
Esta electrónica se complementa con una entrada de datos USB que se emplea para la configuración del dispositivo. Cada salida se parametriza por separado definiendo, dentro de los 360º de recorrido, en que rangos se mantendrá la salida en nivel alto o bajo según sea la necesidad de la aplicación a cubrir. Posee leds indicadores de estado que simplifican la etapa de puesta en marcha sobre la línea a controlar.
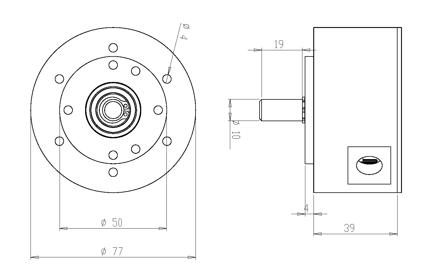
A diferencia de otros equipos de su estilo en los que debe incorporarse un encoder absoluto a la electrónica de control, este dispositivo incluye todos los bloques en el mismo aparato, simplificando notablemente las tareas de montaje, cableado y puesta en marcha. El montaje se realiza directamente sobre el eje a medir, de igual forma que en el caso de un encoder, además posee en su brida todas las distribuciones de agujeros estándar para facilitar la tarea.
- Encoder absoluto integrado
- 8 Salidas de Leva de alta corriente
- Fácil conexionado
- LEDs indicadores de actividad
- Configuracion rápida y simple por software
- Montaje con brida estándar
Dimensiones [mm] y Borneras de conexionado
Diagrama en bloques


English